(本资料内容,如有变更,不再另行通知,敬请谅解)
R系列
RB1X21气动薄膜V型调节球阀
RB1X21气动薄膜V型调节球阀,由AR气动薄膜角行程执行机构及V型调节球阀阀体组件两大部分构成。部分球面V形切口球芯提供近似等百分比流量特性,是一种利用V型切口球芯在小开度范围内贴着密封面旋转而控制流体流量的角行程调节阀。V型切口球芯在显著增大流量可调比的同时,与专门的具有独特弹性唇结构的密封阀座相配合,对纤维及颗粒类介质拥有卓越的剪切和防堵功能。因此尤其适用于要求大可调比的控制系统,以及对含纤维质流体、料浆类流体的控制。
RB1X21气动薄膜V型调节球阀具有结构紧凑,运行灵敏、平稳,调节性能好,使用寿命长的特点。可广泛应用于石油,化工,电力,造纸,冶金,污水处理等工业控制领域。
阀体部分
型式:直通式铸造球阀,具体结构请参见图1
公称通径:DN25 32 40 50 65 80 125 150 200 250 300 350 400
公称压力:PN1.6,2.5,4.0, 6.3 Mpa
ANSI150, 300, 400
连接型式:无法兰连接(对夹式)
法兰连接: GB PN1.6,2.5,MPa 符合JB/T81 RF
GB PN4.0, 6.3MPa符合JB/T82.2 FM
ANSI CLASS150, 300, 400符合ANSI B16.5 RF
法兰距: 对夹式符合EN558:1995基本系列36
法兰式符合GB/T12221-1989 EN558:1995及ISO5752-1982 基本系列3
阀体材质: 材质对照及适用温度范围请参阅表1
上阀盖: 与阀体一体铸造
填料: V型组合填料、石墨组合填料、石墨填料等,适用温度范围请参阅阅表2
填料压盖形式:螺栓压紧式
阀体密封垫圈:金属缠绕垫圈,金属石墨垫圈,锯齿垫圈,平垫圈,具体材质及适用温度范围请参阅表3
油 漆:碳钢壳体表面须按规定喷漆,材质为不锈钢及铜的壳体表面不喷漆
阀 内 件
阀芯型式:带V型切口的部分球型阀芯
流量特性:近似等百分比,请参见图3及参阅表5
阀内件材质:标准材质组合及适用温度范围请参阅表4
球芯转角:90°
执行机构
名称:气动薄膜角行程执行机构,具体结构请参见图2
型号:正作用AR1D AR2D AR3D;反作用AR1R AR2R AR3R
作用形式:调节阀连接在右侧,逆时针旋转定为正作用;调节阀连接在左侧,顺时针旋转定为反作用
回转角度:90°
弹簧范围:依弹簧数量改变而改变
供气压力;依弹簧范围改变而改变
膜室最大容量:AR1 27500px3
AR2 3420 cm3 (行程30),146500px3 (行程60)
AR3 5860 cm3 (行程60),550000px3 (行程100) ,750000px3 (行程120)
气源接口:AR1 G1/8;AR2 G1/4;AR3 G3/4;
气动和手动转换:AR1及AR2可任意位置实行转换,AR3气动时手轮丝杠必须置于顶端。需要转换时,将转换螺钉限位拉杆拉出机座并任意方向旋转90°松开,气动状态可转换为手动状态。逆时针旋转丝杠带动推杆下行。
环境温度:-30 ~ +80℃
标准组配:请参阅表6
选配附件
定位器、过滤减压阀、电磁阀、限位开关、阀位变送器、手轮机构、快速排气阀、速度控制阀、气动保位阀等
整机性能
动作时间:请参阅表6
阀座泄漏量:金属及非金属硬密封符合ANSI B16.104Ⅳ级、Ⅴ级;非金属软密封符合ANSI B16.104Ⅵ级。
额定Cv值:请参阅表6
线性: ±1.5%
回差: 1.5%
始终点偏差:±2%
可调比: 300:1
允许压差: 请参阅表7.1~7.4
外形尺寸:请参阅图4、图5及 表8
产品重量:请参阅表8
特殊规格(按用户要求制造,具体内容如下)
·特殊检查:
流量特性检查、材料检查、低温试验、蒸气试验、无损检测
·禁铜处理 ·完全禁油、禁水处理
·指定色涂层 ·特殊空气配管和特殊接头
·防砂、防尘型 ·防强腐蚀型
·真空工作条件用 ·接触大气部分不锈钢螺栓、螺母
·寒带地区用 ·热带地区用
·法兰背面加工 ·带排污栓
·双重填料 ·蒸气夹套
阀体组件结构图
图1 RB1X21气动薄膜V型调节阀阀体组件结构
执行机构结构图
图2 AR气动薄膜角行程执行机构结构
表1 阀体材质及适用温度范围
中国 | 美国 | 适用温度范围 |
ZG230-450WCB | A 216 WCB ASTM | -10℃~400℃ |
ZG0Cr18Ni9 | A351(CF8)ASTM | -200℃~530℃ |
ZG0Cr18Ni12Mo2Ti | A351(CF8M ASTM | -200℃~530℃ |
ZG0Cr18Ni12Mo2Nb | — | -200℃~530℃ |
| A 217(WC6)ASTM | -10℃~450℃ |
| A 217(WC9)ASTM | -10℃~450℃ |
|
|
|
表2:填料类型及适用温度范围
填料类型 | 适用温度范围 | 上阀盖型式 | 备注 |
PTFE V型填料 | -25℃~180℃ | 标准型 | (交变载荷)带压缩弹簧 |
-25℃~200℃ | |||
石墨+因科镍填料 | -20℃~400℃ | 标准型/散热型 | 一般 场合 |
纯石墨填料 (密度1.2) | -196℃~530℃ | 标准型/散热型 | 高、低温场合 |
表3:阀体密封垫片的适用温度范围
阀体密封垫圈类型 | 密封垫圈材质 | 适用温度范围 |
金属缠绕垫圈 | 0Cr17Ni12Mo2(316)+PTFE | -29℃~150℃ |
0Cr17Ni12Mo2(316)+石墨 | -20℃~360℃ | |
金属石墨垫圈 | 0Cr17Ni12Mo2(316)+石墨 | -20℃~360℃ |
锯齿垫圈 | 0Cr17Ni12Mo2(316) | -200℃~530℃ |
平垫圈 | 蒙乃尔(MONEL) | -200℃~550℃ |
表4:阀内件标准材质组合及适用温度范围
球芯材质(中国/美国) | 密封阀座材质 | 阀杆材质(中国/美国) | 适用温度范围 |
WCB+HCr ZG0Cr18Ni9/CF8 ZG0Cr18Ni12Mo2Ti/CF8M ZG0Cr18Ni9/CF8硬化处理 ZG0Cr18Ni12Mo2Ti/CF8M硬化处理 | 聚四氟乙烯 (PTFE) | 2Cr13/420硬化处理; 0Cr17Ni4Cu4Ni/17-4PH沉淀硬化处理; 0Cr17Ni12Mo2/316硬化处理(可选); | -29℃~150℃ |
增强聚四氟乙烯 (RTFE) | -29℃~180℃ | ||
对位聚苯(PPL) | -29℃~300℃ | ||
柔性石墨 | -20℃~360℃ | ||
镍基变形合金 | -40℃~450℃ |
硬化处理包括:镀硬铬、堆焊Stellite合金、淬火处理、渗氮处理、喷涂钛化钨等。
流量特性
图3 流量特性曲线
表5 转角与流量百分率
转角(°) | 0 | 10 | 20 | 30 | 40 | 50 | 60 | 70 | 80 | 90 |
Q/Qmax(%) | 0.33 | 0.63 | 1.2 | 2.2 | 4.2 | 7.9 | 14.9 | 28.1 | 53.1 | 100 |
表6 Cv值、标准执行机构组配及动作时间
公称通径DN(mm) | 25 | 32 | 40 | 50 | 65 | 80 | 100 | ||
阀座直径(mm) | 15 | 20 | 26 | 33 | 40 | 53 | 66 | 85 | |
额定流量系数Cv | 20 | 23 | 35 | 58 | 105 | 167 | 269 | 433 | |
执行机构型号 | AR1D/ AR1R | AR2Db/ AR2Rb | AR3Db/ AR3Rb | ||||||
动作时间(s) | 全开 | 4 | 5 | 3/5 | 12/14 | ||||
全闭 | 4 | 5 | 4/4 | 10/12 | |||||
公称通径DN(mm) | 125 | 150 | 200 | 250 | 300 | 350 | 400 |
| |
阀座直径(mm) | 104 | 128 | 170 | 212 | 255 | 298 | 340 |
| |
额定流量系数Cv | 702 | 1112 | 1802 | 2808 | 4563 | 7120 | 11635 |
| |
执行机构型号 | AR3Db/ AR3Rb | AR3Dc /AR3Rc |
| ||||||
动作时间(s) | 全开 | 13/18 | 15/22 |
| |||||
全闭 | 15/16 | 18/21 |
| ||||||
注: 表中执行机构为本公司标准配置,用户可根据应用工况及表7.1~7.4允许压差
选择合适的执行机构。
允许压差
表7.1 正作用(软密封)
单位:Mpa
公称通径(mm) | 25 | 32 | 40 | 50 | 65 | 80 | 100 | 125 | 150 | 200 | 250 | 300 | 350 | 400 | ||
阀座直径(mm) | 15 | 20 | 26 | 33 | 40 | 53 | 66 | 85 | 104 | 128 | 170 | 212 | 255 | 298 | 340 | |
执行机构 | 气源Mpa | 允许压差 | ||||||||||||||
AR1D | 0.25 | 3.00 | 3.00 | 3.00 | 3.00 | 2.56 | 1.10 | 0.57 | 0.27 |
|
|
|
|
|
|
|
AR2Da | 0.25 |
|
|
|
| 3.00 | 3.00 | 1.93 | 0.90 |
|
|
|
|
|
|
|
AR2Db | 0.45 |
|
|
|
| 3.00 | 3.00 | 2.89 | 1.35 | 0.74 |
|
|
|
|
|
|
AR2Dc | 0.40 |
|
|
|
|
| 3.00 | 3.00 | 1.80 | 0.98 | 0.53 | 0.23 |
|
|
|
|
AR3Da | 0.3 |
|
|
|
|
|
| 3.00 | 3.00 | 1.92 | 1.03 | 0.44 | 0.23 | 0.13 | 0.03 |
|
AR3Db | 0.5 |
|
|
|
|
|
|
| 3.00 | 3.00 | 2.31 | 0.98 | 0.51 | 0.29 | 0.08 | 0.12 |
AR3Dc | 0.5 |
|
|
|
|
|
|
| 3.00 | 3.00 | 2.77 | 1.18 | 0.61 | 0.35 | 0.09 | 0.15 |
表7.2 正作用(硬密封)
单位:Mpa
公称通径(mm) | 25 | 32 | 40 | 50 | 65 | 80 | 100 | 125 | 150 | 200 | 250 | 300 | 350 | 400 | ||
阀座直径(mm) | 15 | 20 | 26 | 33 | 40 | 53 | 66 | 85 | 104 | 128 | 170 | 212 | 255 | 298 | 340 | |
执行机构 | 气源Mpa | 允许压差 | ||||||||||||||
AR1D | 0.25 | 6.30 | 6.30 | 6.30 | 4.03 | 2.26 | 0.97 | 0.50 | 0.24 |
|
|
|
|
|
|
|
AR2Da | 0.25 |
|
|
|
| 6.30 | 3.28 | 1.70 | 0.80 |
|
|
|
|
|
|
|
AR2Db | 0.45 |
|
|
|
| 6.30 | 4.92 | 2.55 | 1.19 | 0.65 |
|
|
|
|
|
|
AR2Dc | 0.40 |
|
|
|
|
| 6.30 | 3.40 | 1.59 | 0.87 | 0.47 | 0.20 |
|
|
|
|
AR3Da | 0.3 |
|
|
|
|
|
| 6.30 | 3.10 | 1.69 | 0.91 | 0.39 | 0.20 | 0.11 |
|
|
AR3Db | 0.5 |
|
|
|
|
|
|
| 6.30 | 3.79 | 2.03 | 0.87 | 0.45 | 0.26 | 0.07 | 0.11 |
AR3Dc | 0.5 |
|
|
|
|
|
|
| 6.30 | 4.55 | 2.44 | 1.04 | 0.54 | 0.31 | 0.08 | 0.13 |
表7.3 反作用(软密封)
单位:Mpa
公称通径(mm) | 25 | 32 | 40 | 50 | 65 | 80 | 100 | 125 | 150 | 200 | 250 | 300 | 350 | 400 | ||
阀座直径(mm) | 15 | 20 | 26 | 33 | 40 | 53 | 66 | 85 | 104 | 128 | 170 | 212 | 255 | 298 | 340 | |
执行机构 | 气源Mpa | 允许压差 | ||||||||||||||
AR1R | 0.25 | 3.00 | 3.00 | 3.00 | 3.00 | 1.92 | 0.83 | 0.43 | 0.20 |
|
|
|
|
|
|
|
AR2Ra | 0.25 |
|
|
|
| 3.00 | 2.79 | 1.44 | 0.68 | 0.37 | 0.20 |
|
|
|
|
|
AR2Rb | 0.45 |
|
|
|
| 3.00 | 3.00 | 2.89 | 1.35 | 0.74 | 0.40 | 0.17 |
|
|
|
|
AR2Rc | 0.40 |
|
|
|
|
| 3.00 | 3.00 | 2.71 | 1.48 | 0.79 | 0.34 | 0.17 |
|
|
|
AR3Ra | 0.3 |
|
|
|
|
|
| 3.00 | 3.00 | 2.81 | 1.51 | 0.64 | 0.33 | 0.19 |
|
|
AR3Rb | 0.5 |
|
|
|
|
|
|
| 3.00 | 3.00 | 3.00 | 1.30 | 0.67 | 0.39 | 0.10 |
|
AR3Rc | 0.5 |
|
|
|
|
|
|
| 3.00 | 3.00 | 2.70 | 1.15 | 0.59 | 0.34 | 0.09 | 0.14 |
表7.4 反作用(硬密封)
单位:Mpa
公称通径(mm) | 25 | 32 | 40 | 50 | 65 | 80 | 100 | 125 | 150 | 200 | 250 | 300 | 350 | 400 | ||
阀座直径(mm) | 15 | 20 | 26 | 33 | 40 | 53 | 66 | 85 | 104 | 128 | 170 | 212 | 255 | 298 | 340 | |
执行机构 | 气源Mpa | 允许压差 | ||||||||||||||
AR1R | 0.25 | 6.30 | 6.30 | 6.18 | 3.02 | 1.70 | 0.73 | 0.38 | 0.18 |
|
|
|
|
|
|
|
AR2Ra | 0.25 |
|
|
| 6.30 | 5.73 | 2.46 | 1.27 | 0.60 | 0.33 | 0.17 |
|
|
|
|
|
AR2Rb | 0.45 |
|
|
|
| 6.30 | 4.92 | 2.55 | 1.19 | 0.65 | 0.35 | 0.15 |
|
|
|
|
AR2Rc | 0.40 |
|
|
|
|
| 6.30 | 5.10 | 2.39 | 1.30 | 0.70 | 0.30 | 0.15 |
|
|
|
AR3Ra | 0.3 |
|
|
|
|
|
| 6.30 | 4.54 | 2.48 | 1.33 | 0.57 | 0.29 | 0.17 |
|
|
AR3Rb | 0.5 |
|
|
|
|
|
|
| 6.30 | 5.01 | 2.69 | 1.15 | 0.59 | 0.34 | 0.09 |
|
AR3Rc | 0.5 |
|
|
|
|
|
|
| 6.30 | 4.44 | 2.38 | 1.02 | 0.52 | 0.30 | 0.08 | 0.13 |
外形尺寸及重量
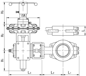
图4 RB1X21气动V型调节球阀外形(对夹式)
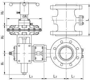
图5 RB1X21气动V型调节球阀外形(法兰式)
表8 外形尺寸(mm)及重量(Kg)
公称通径DN | 25 | 32 | 40 | 50 | 65 | 80 | 100 | 125 | 150 | 200 | 250 | 300 | 350 | 400 | ||
L | 对夹式 | 102 | 108 | 114 | 124 | 146 | 165 | 194 | 213 | 229 | 243 | 297 | 338 | 370 | 400 | |
法兰式 | 127 | 140 | 165 | 178 | 190 | 203 | 229 | 254 | 267 | 292 | 330 | 356 | 381 | 406 | ||
L1 | 57 | 60 | 63 | 92 | 100 | 108 | 117 | 140 | 177 | 200 | 252 | 270 | 320 | 390 | ||
L2 | 100 | 110 | 120 | 135 | 155 | 165 | 205 | 245 | 260 | 275 | 310 | 345 | 390 | 440 | ||
L3 | 270 | 380 | 550 | |||||||||||||
H1 | 110 | 160 | 280 | 300 | ||||||||||||
H2 | 200 | 275 | 660 | 680 | ||||||||||||
H3 | 171 | 204 | 280 | 305 | ||||||||||||
A | 270 | 400 | 596 | |||||||||||||
重量 | PN1.6Mpa/ANSI150RF | 7 | 8 | 18 | 21 | 25 | 29 | 47 | 78 | 105 | 135 | 160 | 200 | 288 | 398 | |
PN2.5MPa | 8 | 9 | 20 | 23.5 | 27.5 | 32 | 52 | 85 | 115 | 148.5 | 176 | 220 | 317 | 438 | ||
PN4.0Mpa/ANSI300RF | 8 | 9 | 20 | 23.5 | 27.5 | 32 | 52 | 85 | 115 | 155 | 184 | 230 | 364.5 | 458 | ||
PN6.3MPa/ ANSI400RF | 9 | 10.5 | 23.4 | 27.3 | 32.5 | 41.6 | 61 | 101 | 136.5 | 175.5 | 208 | 260 | 375 | 518 | ||
注 1.重量=阀体组件+执行机构(不含手轮机构)。
2.阀体法兰及法兰端面距可按用户指定标准制造。

